Artikkelnr. AG105978

MARCHESINI Slangesprekkventil 1/2″ BSP (80 l/min Strømningshastighet)

272,– eks. mva
Bestillingsvare (5-10 dager)
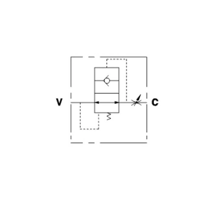
  • BRUK OG DRIFTVentiler som brukes for å forhindre ukontrollert nedsenking av en sylinder i tilfelle en slange sprekker. Når flyten overskrider ventilinnstillingen (reaksjonstrømningen)
  • blokkerer ventilen flyten. Disse ventilene er ikke lastholdere eller énveis begrensere. Det anbefales å bruke en flytreguleringsventil nedstrøms for ventilen.MATERIALER OG FUNKSJONERRamme: Stål
  • satinert.KOBLINGERSkru ventilen inn i riktig port for å koble V til tilførselsflyten og C til sylinderen
MARCHESINI Slangesprekkventil 1/2″ BSP (80 l/min Strømningshastighet)