Artikkelnr. AG77814
Økonomidel

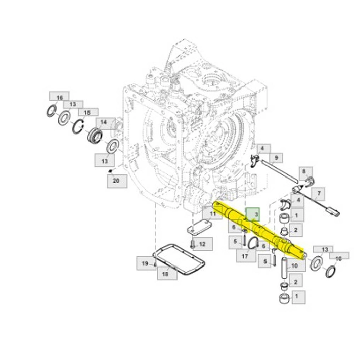
Aksel

5094,– eks. mva
På lager (1-3 dager)
Aksel
Denne akselen er en del av drivlinjen og er designet for å overføre kraft fra motoren til andre komponenter i maskinen. Den er kompatibel med flere modeller, inkludert 6800 og 6920. Akselen er en viktig komponent for å sikre effektiv kraftoverføring og optimal ytelse av maskinen.
Aksel