Artikkelnr. AG77114
Økonomidel

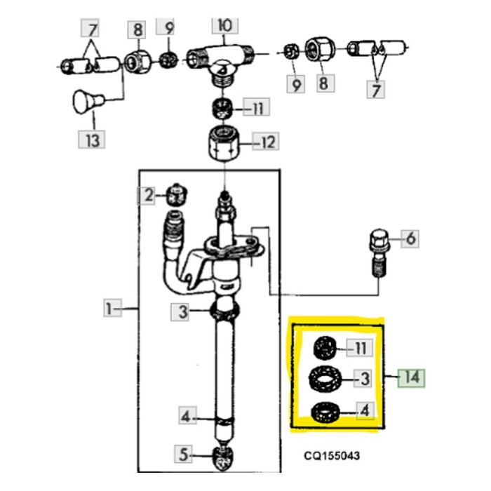
O-ring sett

28,– eks. mva
På lager (1-3 dager)
O-ring-sett for drivstoffinnsprøytningsdyse til John Deere-maskiner, sikrer optimal forsegling og motorytelse.
Dette O-ring-settet er spesielt utviklet for drivstoffinnsprøytningsdysene i utvalgte John Deere-modeller. O-ringene sørger for en pålitelig og tett forsegling, som forhindrer drivstofflekkasjer og opprettholder riktig trykk i drivstoffsystemet. Ved å bruke dette settet kan du sikre at motoren din fungerer effektivt og med optimal ytelse.
O-ring sett